
新聞資訊News
二極管整流電路簡介
二極管的一個重要應用是在整流器電路的設計中。簡單地說,該電路將交流電(AC)轉換為直流電(DC)。這是交流轉直流電源設計中必不可少的電路。
整流電路
為了給任何電路供電,都需要一個電源;如果您想通過交流電源為電子設備供電,則需要整流器。
圖 1.1 說明了直流電源的示意圖。有一條 120 V (rms)、60 Hz 的交流線路為電源供電,該電源將電壓V O傳送到電子電路(負載塊)。V O必須是穩定的直流電壓,以確保電子電路正常工作。

圖 1.1
首先我們看到了變壓器。該變壓器是一種降壓變壓器,可將高交流輸入電壓“降壓”為較低的交流電壓以輸入到整流器中。該變壓器由兩個獨立的線圈繞組(初級和次級繞組)組成,它們具有不同的匝數,N 1用于初級,N 2用于次級。因此,AC電壓v小號-可被寫為120(N 2 / N 1)V(有效值)并且在次級繞組的兩個端子之間測量的。
接下來,二極管整流器將交流電壓v S轉換為直流電壓。該電壓將表現出很大的變化,因此不適用于電子電路。過濾器用于消除這些變化。
然而,即使在濾波之后,電壓也會表現出稱為紋波的微小變化。因此,使用穩壓器來大大降低紋波并建立可靠的直流電源軌。
半波整流電路
半波整流器消除了輸入正弦波的負部分。在圖 1.2 (A) 中,說明了半波整流器。在本文中,我們將使用二極管的恒壓降 (CVD) 模型,因為它很簡單。從這個模型中,我們得到了
v0=0v0=0 當 vS
公式 1.1 (A)
v0=vS?VDv0=vS?VD 當 vS geqVDvS geqVD
公式 1.1 (B)
其中V D ≈ 0.7 V。上述等式導致傳輸特性如圖 1.2 (B) 所示。圖 1.2 (C) 說明了當輸入電壓v S 為正弦波時提供的電壓輸出。

圖 1.2 (A) 半波整流器

圖 1.2 (B) 整流電路的傳遞特性

圖 1.2 (C) 輸入輸出波形
在確定在整流電路中使用哪些二極管時,需要考慮兩件事:1) 二極管處理電流的能力,必須根據二極管預期傳導的最大電流進行選擇,以及 2 ) 峰值反向電壓 (PIV),即二極管將承受的最高反向電壓;二極管必須能夠承受 PIV。看圖1.2(A),我們可以觀察到,當電壓 v S 為負時,二極管將被截止,電壓 v O為零,導致二極管兩端的反向電壓為v S . 因此,PIV 是v S的峰值:
PIV = V S
公式 1.2
其中V S(帶有大寫 V)表示輸入正弦波的峰值幅度。
值得注意的一件事是,當輸入正弦波的峰值幅度不明顯高于V D時,電路顯然不會有效運行。例如,峰值幅度為 200 mV 的正弦輸入根本不會被整流,因為二極管永遠不會“開啟”,即它永遠不會傳導大量電流。
全波整流電路
與半波整流器不同,全波整流器可以利用交流輸入電壓的負部分和正部分。為了實現單極性輸出,必須反轉正弦波形的負部分。這可以通過使用圖 1.3 (A) 所示的電路來實現。

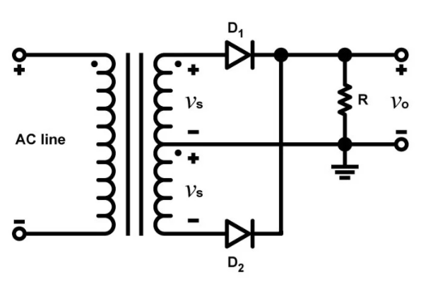
圖 1.3 (A) 全波整流電路;變壓器有一個中心抽頭的次級繞組
在這種配置中,降壓變壓器的次級繞組是所謂的“中心抽頭”。中心抽頭或 CT 是沿繞組中途形成的電觸點。該 CT 用于在變壓器次級繞組的兩半之間提供兩個相等的電壓 v S。當輸入電壓為正時,兩個v S 信號也將為正,當輸入電壓大于V D 時,二極管 D 1 將導通,二極管 D 2 將反向偏置。流入二極管D 1的電流也 將流經電阻 R 然后回到CT。在輸入正弦波的正半周期間,該電路的行為就像半波整流器。
在負半周期間,兩個 v S 電壓都將為負?,F在,二極管 D 1反向偏置,二極管 D 2導通。流經D 2的電流 隨后將流經電阻器 R 并返回 CT。
因此,電流在兩個半周期內流動,而且通過電阻器的電流將始終以相同的方向流動。結果是單極性輸出電壓,如圖 1.3 (C) 所示。

圖 1.3 (B) 全波整流器的傳遞特性
如果我們考慮電路在正半周期間的操作,則D 2陰極的電壓為 ( v S - V D ),D 2陽極的電壓為 - v S。因此,PIV 是 ( V S - V D ) - (- V S ):
PIV = 2 V S - V D
公式 1.3
請注意,此 PIV 大約是半波整流器的兩倍。
圖 1.3 (C) 輸入輸出波形
結論
在本文中,我們討論了整流電路的用途以及兩種特定類型的整流器:半波整流器和全波整流器。
整流器是電源的基本電路,可將交流輸入電壓轉換為可用于為電子電路供電的直流電壓電源。我們看到半波整流器使用輸入正弦波的交替半周,而全波整流器同時使用正半周和負半周。




微信公眾號